ElectroMagnetic 전자파
Compatibility 적합 Interference 간섭 Susceptibllity 내성
distribution 분포 radiation 방사 Conduction 전도 Emission 방사
대책방법
부품선정 / 부품배치 / 선 및 정리 / 차폐 및 격리 / 접지 / 필터 적용
EMS
IEC 61000-4 Series, IEC 61000-6 Series, Electro Mageneitc Compatibility(EMC)를 기초로 기술적 내용 및 국제표준의 구성을 변경하지 않고 작성한 한국산업표준 (KS C 9610-4 Series) 기준에 따라 산업 환경에서 사용하기 위한 전기 및 전자 장치에 0 Hz ~ 400 GHz의 주파수 범위에서의 내성 요건을 확인하기 위하여 실시하는 시험
| 시험항목 | 시험기준 |
| Electrostatic discharge resistance test 정전기 방전 내성시험 |
주변환경에 의해 정전기 방전에 영향을 받는 전기 ?전자기기의 성능을 평가하는 시험이며, 접촉방전이 우선되며, 기중방전은 접촉방전이 적용될 수 없는 곳에서 사용되어야 하며, 시험 후 시험시료(제품)는 정상작동해야 한다. |
| Electromagnetic radiation resistance test 전자파 방사 내성시험 |
방사된 전기자기 에너지에 대한 전기 ?전자기기의 내성 요구사항 확인하는 시험으로서, 주파수 범위(80~1000)MHz, 범용 장치(800~960)MHz, (1.4~6.0)GHz, 디지털 무선전화 등에서 변조된 신호로 RF 신호레벨을 조정하여 시험시료(제품)의 모든 면이 전계에 노출되게 시험하여, 시험시료(제품)가 제조자나 시험 요청자가 정의한 성능 수준 또는 합의한 성능수준에 대하여 기능 상실이나 성능저하 유무를 확인하는 시험 |
| Electrical Fast Transient Resistance test 전기적 빠른과도현상 내성시험 |
전기 ?전자 기기의 전력포트, 제어포트, 신호포트, 접지포트에 결합되는 버스트 시험으로 개폐 과도현상(유도성 부하의 정전, 계전기 접점 변동 등)등 과도한 방해로부터 전기 ?전자기기의 내성을 입증하여, 시험시료(제품)가 제조자나 시험 요청자가 정의한 성능 수준 또는 합의한 성능수준에 대하여 기능 상실이나 성능저하 유무를 확인하는 시험 |
| Surge resistance test 서지내성시험 |
전기 ?전자 기기가 어떤 위협 레벨에서의 스위칭과 낙뢰로부터 발생 되는 서지 전압에 의해 일어나는 규정된 동작조건에서 시험품(제품)의 반응을 알아보는 시험이며, 결과는 시험시료(제품)가 제조자나 시험 요청자가 정의한 성능 수준 또는 합의한 성능수준에 대하여 기능상실이나 성능저하 유무를 확인한다. |
| Electromagnetic Conductivity Test 전자파 전도내성시험 |
9KHz ~ 80MHz 주파수 대역의 의도적인 RF 송신기에서 발생하는 전기자기 방해에 대한 전기 ?전자기기의 전도성 내성 요구조건을 측정하는 시험으로서, 주파수 범위는 설정과정 중 정한 신호 레벨과 1kHZ 정현파로 80% 진폭변조된 방해신호를 사용하여 0.15~80MHz 까지 Sweep 되는 주파수의 크기는 이전 주파수 값의 1%를 초과하지 않아야 한다. 결과는 시험시료(제품)가 제조자나 시험 요청자가 정의한 성능 수준 또는 합의한 성능수준에 대하여 기능 상실이나 성능저하 유무를 확인한다 |
| Voltage drop and instantaneous electrostatic resistance test 전압강하 및 순간정전내성시험 |
전기 ?전자 기기는 전압 강하나 순시 정전, 전원 공급장치의 전압변동에 의해 영향을 받는데, 이런 급격한 전압변화 효과를 시뮬레이션하여, 시험시료(제품)가 제조자나 시험 요청자가 정의한 성능 수준 또는 합의한 성능수준에 대하여 기능 상실이나 성능저하 유무를 확인하는 시험이다. 50Hz 또는 60Hz 교류 회로망에 연결될 대상(Phase)당 16A를 넘지 않는 정격 입력전류를 갖는 전기 ?전자 기기에 적용된다 |
EMI
전자파장해 시험은 산업 환경에서 사용하기 위한 전기 및 전자 장치 등에서 발생하는 불요전자파의 발생량을 시험하는 것으로 불요전자파로 인하여 기기간 전파간섭 또는 오동작을 예방하기 위한 시험입니다.
| 시험항목 | 시험내용 |
| 전자파 전도시험(CE) Electromagnetic Conductivity |
제품의 라인(전원선 등)에서 방출되는 전자파의 유해성을 확인하는 시험 |
| 전자파 방사시험(RE) Electromagnetic radiation test |
해당 제품 본체에서 방출되는 전자파의 유해성을 확인하는 시험 |
EMC ( C-Tick) Requirements for Mining Equipment, Australia and New Zealand - Austest
EMC ( C-Tick) Requirements for Mining Equipment, Australia and New Zealand - Austest
Major markets around the world have some form of ElectroMagnetic Compatibility (EMC) regulations in place to: Safeguard critical communications of emergency services (e.g. police, medical services, fire departments, search and rescue), essential services
austest.com.au

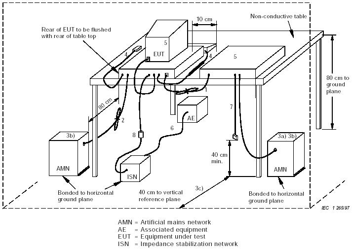
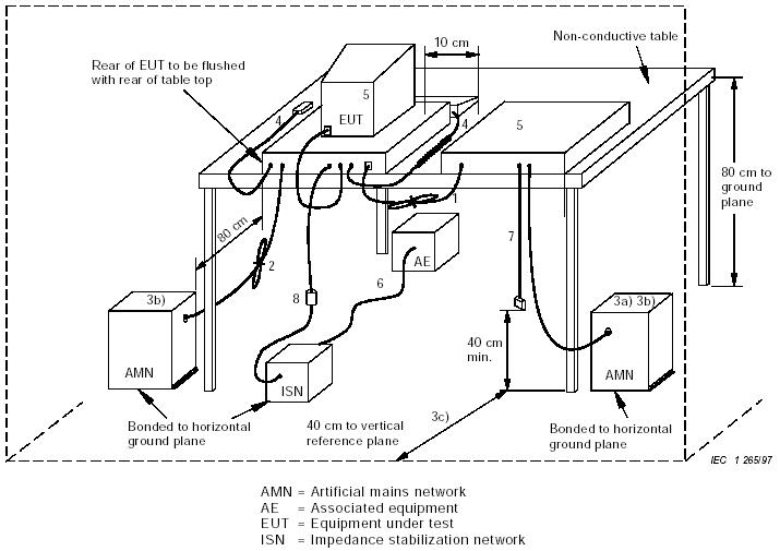
This test measures the EMI generated by equipment and transmitted via the mains supply cable, which may affect other equipment connected to the same mains supply ring. The test frequency range is generally from 9kHz to 30MHz or 150kHz to 30MHz depending on the applicable standard.

This test is essentially to measure radiated EMI emissions coming off cables, and generally applied to equipment where EMI emissions are more likely to be radiating from the cables than from the enclosure itself – such as electric tools, regulating controls using semiconductor devices, motor-driven electro-medical apparatus and the like. The test focuses on the cables connected to the equipment, and requires the cables under test to be extended to at least 6m in length.

Radiated EMI emissions from electrical lighting and similar equipment are measured within a Loop Antenna in its three orthogonal axes. The Loop Antennas come in various sizes (2m, 3m or 4m) to accommodate different sized lighting equipment.
The radiated EMI emissions are measured within the test frequency range of 9kHz to 30MHz.

The OATS, as the name implies is an open area with a conductive ground plane on which measurements are made, at the normal test distances of either 3m or 10m between the EUT and the measurement antenna. A typical test setup is shown below:
In order to maximise the EUT emissions at each significant emission frequency, the EUT is rotated through 360 degrees on a non-conductive turntable, with the antenna in one antenna polarisation, and then again in the other polarisation. The antenna is then set to the highest emission polarisation (either horizontal or vertical), and the EUT is set to the direction to the antenna that gave the highest emission level. The antenna, mounted on an antenna mast, is then scanned from 1m to 4m to determine the height at which the maximum emission level is obtained. This maximum emission level is then measured at the EMI Receiver for comparison with the applicable limit.
The antenna height scan is necessary since the antenna picks up emissions that come directly from the EUT as well as emissions reflected off the ground place, which depending on the height of the antenna, may be in-phase or out-of-phase with the direct path emissions. If the reflected emissions are in-phase, they add to the direct path emissions giving a worse-case level; and when the reflected emissions are out-of-phase, they subtract from the direct path emissions giving a lower emission level.
'프로그램&회로' 카테고리의 다른 글
| Copilot으로 무식한 상태에서 프로그램 짜기... (1) | 2024.09.02 |
|---|---|
| Copilot (0) | 2024.08.27 |
| VL53L1 address (0) | 2024.05.16 |
| VL53L1 i2clog data (0) | 2024.05.16 |
| arduino Serial 통신 (0) | 2024.05.03 |